본 정리는 CS422-컴퓨터 구조 및 설계 : 하드웨어/소프트웨어 인터페이스. David A. Patterson, 존 헤네시 책을 바탕으로 하고 있음을 미리 알립니다.
Interrupts
외부 요인에 의해 발생되는 현상이다.
외부 요인이므로 프로그램의 실행과 비동기적으로 발생한다.
명령어엔 문제가 없는 것이므로 파이프라인에 있는 명령어를 전부 완료한 후에 OS interrupt handler를 호출한다.
Trap
내부 요인에 의해 발생되는 현상이다.
명령어에 의해 발생되는 오류이므로, 명령어를 중간에 멈추고 OS trap handler를 호출한다.
Interrupts 까지 더불어서 Exception이라고 한번에 칭하기도 한다.
Exception
예외가 일어나는 오류 종류
- 입출력장치 요구 - 인터럽트
- 사용자 프로그램의 운영체제 호출 - 예외
- 산술 오버플로 - 예외
- 정의 안 된 명령어 사용 - 예외
- 하드웨어의 오동작 - 예외 또는 인터럽트
예외 처리 방법 1
예외가 일어났을 때 컴퓨터에가 해야되는 기본 동작은 문제를 일으킨 명령어의 주소를 예외프로그램 카운터 (Exception Program Counter - EPC)에 저장하고, 어떤 특정 주소에 있는 운영체제로 제어를 옮기는 것이다.
그러면 운영체제는 이에 알맞은 사용자 프로그램에 어떤 서비스를 제공한다든지, 오버플로에 대하여 미리 정의된 행동을 취한다든지 프로그램의 실행을 중지하고 오류를 보고한다든지 등의 행동을 취한다.
운영체제는 프로그램을 끝내든지 실행을 계속하든지 할 수 있는데 이때 실행을 재개할 때 EPC 레지스터를 사용해 재개할 주소를 알아낸다.
예외의 원인을 알기 위해서 예외의 원인을 나타내는 필드를 갖고 있는 Cause register를 사용한다.
예외 처리 방법 2
벡터인터럽트를 사용하는 방법.
벡터인터럽트란 제어를 넘길 주소가 예외의 원인에 의해 결정되는 인터럽트 이다.
즉, 운영체제로 판단되는 것이 아니라 예외의 원인에 해당하는 주소에 따라 제어를 넘길 주소가 결정된다.
ex)
Undefined opcode: C000 0000
Overflow: C000 0020
...
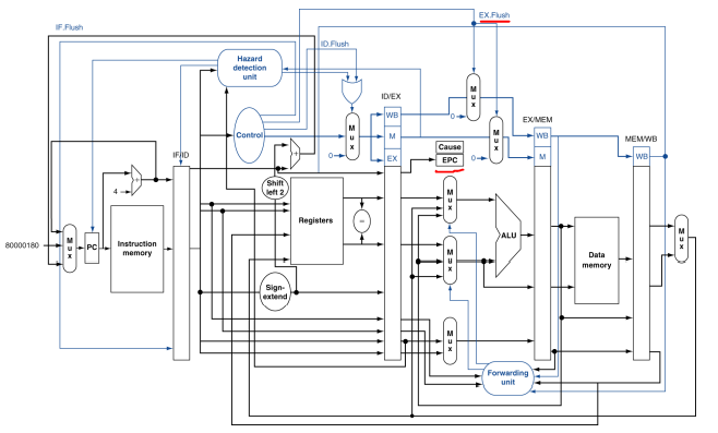
Exceptions in a Pipeline
예외는 파이프라인에서 Control hazards의 다른 형태로 취급한다.
add 명령어에서 산술 오버플로 예외가 생겼다고 해보자.
앞에서 분기 처리를 했던 것처럼 add 명령어 다음에 오는 명령어들을 파이프라인에서 flush 하고, 새로운 주소에서 명령어를 가져와야 한다.

분기 명령어때와 마찬가지로, Control 신호에 모두 0을 넣어 다음 명령어들을 Flush 시키고 예외 주소부터 다시 시작한다.
즉, 과정만 나열해보면 다음과 같다.
- 현재 명령어의 PC 주소를 EPC에 저장하고, 이어지는 명령어들을 모두 Flush 시킨다
- Handler를 실행하거나, 제어를 넘길 주소를 PC에 대신 넘긴다.
- 예외 처리 후에 EPC에 있는 PC 주소를 가져와서 재실행하거나 프로그램을 종료시킨다.
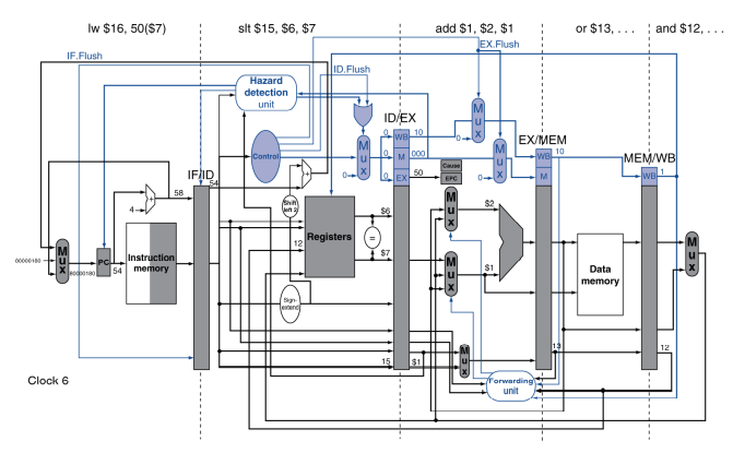
다음과 같이 코드를 실행하다가 overflow가 발생한다고 해보자
40 sub $11, $2, $4
44 and $12, $2, $5
48 or $13, $2, $6
4C add $1, $2, $1 ➔ the overflow occurs
50 slt $15, $6, $7
54 lw $16, 50($7)
이때 불러와야될 핸들러의 주소는 80000180이라고 하자.

add와 그 이후에 실행되는 명령어들인 lw와 slt는 flush 시키고 80000180의 주소를 실행해야한다.
즉, 다음과 같이 된다.

Imprecise Exceptions

파이프라인은 다음과 같이 동시에 실행되기 때문에 Exeption 여러개가 동시에 발생할 수도 있다.
즉, 예외와 그에 대응하는 명령어를 옳게 연결시키는 것이 어렵다.
그래서 결정적인 이유가 아니라면 이러한 요구사항을 완화하여 만든 프로세서를 부정확한 인터럽트(Imprecise Exceptions)를 갖는다고 한다.
오늘날의 컴퓨터는 대부분 정확한 인터럽트를 지원한다.